Мы используем cookie для наилучшего представления нашего сайта. Подробнее об этом в Политике конфиденциальности.
Ок

Владимир

Ваш город:
Владимир (Владимирская область)?
Нет
Да
Каталог
Каталог Написать в WhatsApp
Мотоэкипировка

Система управления 2-Х ТАКТНОГО ПЛМ SEA-PRO T40P

Система управления 2-Х ТАКТНОГО ПЛМ SEA-PRO T40P в Москве: актуальный каталог, цены, фото, описание. Купите система управления 2-х тактного плм sea-pro t40p в кредит – оформите заявку онлайн за 1 минуту!

Оригинальные запчасти

Артикул НАИМЕНОВАНИЕ Кол-во деталей в узле Примечание Наличие Цена Аналоги Фото
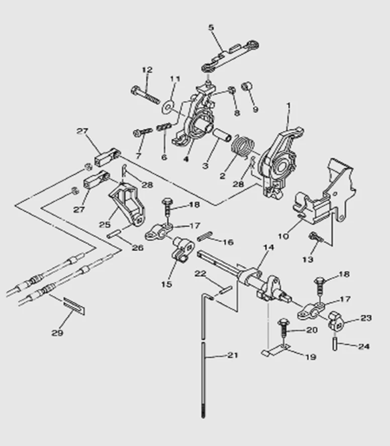
1 PNFM40E-12001 Рычаг газа

Под заказ

1

Под заказ

уточнить

Купить
2 PNFM40E-12002 Пружина

Под заказ

1

Под заказ

уточнить

Купить
3 PNFM40E-12003 Втулка

Под заказ

1

Под заказ

уточнить

Купить
4 PNFM40E-12004 Рычаг контроля магнето

Под заказ

1

Под заказ

уточнить

Купить
5 PNFM40E-12005 Связь

Под заказ

1

Под заказ

уточнить

Купить
6 PNFM40E-12006 Пружина компрессионная

Под заказ

1

Под заказ

уточнить

Купить
7 PNFM40E-12007 Винт

Под заказ

1

Под заказ

уточнить

Купить
8 PNFM40E-12008 Гайка

Под заказ

1

Под заказ

уточнить

Купить
9 15FMH-12009 Колпачек

Под заказ

1

Под заказ

уточнить

Купить
10 PNFM40E-12010 Опора рычага газа

Под заказ

1

Под заказ

уточнить

Купить
11 PNFM40E-12011 Шайба

Под заказ

1

Под заказ

уточнить

Купить
12 PNFM40E-12012 Болт

Под заказ

1

Под заказ

уточнить

Купить
13 PNFM40E-12013 Болт

Под заказ

1

Под заказ

уточнить

Купить
14 PNFM40E-12014 Вал рычага тяги п/п

Под заказ

1

Под заказ

уточнить

Купить
15 PNFM40E-12015 Рычаг тяги п/п

Под заказ

1

Под заказ

уточнить

Купить
16 PNFM40E-12016 Штифт

Под заказ

1

Под заказ

уточнить

Купить
17 PNFM40E-12017 Опора вала

Под заказ

2

Под заказ

уточнить

Купить
18 PNFM40E-12019 Пружина

Под заказ

1

Под заказ

уточнить

Купить
19 PNFM40E-12020 Болт

Под заказ

1

Под заказ

уточнить

Купить
20 PNFMH40-12021 Шток переключения передач S

Под заказ

1

Под заказ

уточнить

Купить
21 PNFM40E-12022 Штифт

Под заказ

1

Под заказ

уточнить

Купить
22 PNFM40-12023 Рычаг п/п

Под заказ

1

Под заказ

уточнить

Купить
23 PNFM40-12024 Штифт

Под заказ

1

Под заказ

уточнить

Купить
24 PNFM40E-12025 Рычаг вала п/п Т40Р 66T-44125-01

Под заказ

1

Под заказ

уточнить

1 400

Купить
25 PNFM40E-12026 Штифт

Под заказ

1

Под заказ

уточнить

Купить
26 PNFM40E-12027 Наконечник кабеля дистанционного управления

Под заказ

1

Под заказ

уточнить

Купить
27 15FMH-11033 Шплинт

Под заказ

1

Под заказ

уточнить

Купить
28 PNFM40E-12029 Держатель тросов

Под заказ

1

Под заказ

уточнить

Купить

Нулевая цена не означает отсутствие товара. Оформите заказ, и менеджер сообщит вам цену и наличие товара, предварительно запросив их у поставщика

Главная Магазины
Корзина0
Профиль